Aavid 4003G technical specifications.
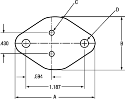
| Package/Case | TO-3 |
| Contact Plating | Tin, Matte |
| Lead Free | Lead Free |
| Material | Ceramic, Metal |
| Package Quantity | 100 |
| Reach SVHC Compliant | No |
| Thickness | 0.062inch |
| RoHS | Compliant |
Download the complete datasheet for Aavid 4003G to view detailed technical specifications.
This datasheet cannot be embedded due to technical restrictions.
