
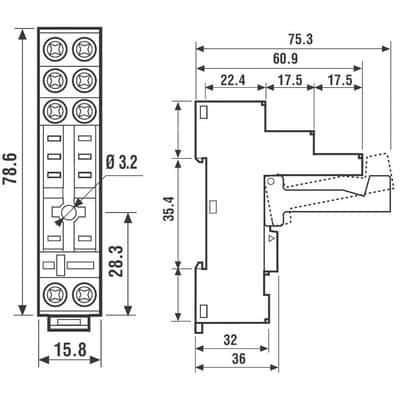
The 95.05 is a 8-pin Relay Socket with screw terminals. This 95 series relay socket is ideal for DIN rail or panel mounting. It comes with a coil indication and EMC suppression modules, jumper link, timer modules and plastic retaining and release clip. This relay socket and its accessories suitable for 40 series 40.51 relay.
Finder 95.05 technical specifications.
Download the complete datasheet for Finder 95.05 to view detailed technical specifications.
This datasheet cannot be embedded due to technical restrictions.
