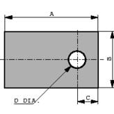
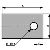
Kunze Folien KU-CG20-0H-ST-6-624/0-L technical specifications.
Download the complete datasheet for Kunze Folien KU-CG20-0H-ST-6-624/0-L to view detailed technical specifications.
This datasheet cannot be embedded due to technical restrictions.