
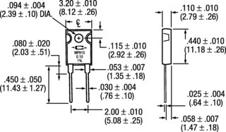
Power metal film resistor, 100 mΩ, 15 W, ±1% tolerance. Features radial termination in a TO-126 package with 5.08mm lead pitch. Operating temperature range from -55°C to 150°C, with a 200V voltage rating. Moisture resistant and lead-free construction.
Caddock MP915-0.10-1% technical specifications.
Download the complete datasheet for Caddock MP915-0.10-1% to view detailed technical specifications.
This datasheet cannot be embedded due to technical restrictions.
