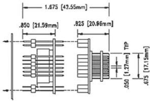
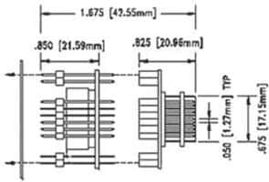
Emulation BC4-44-PCC3-0000 technical specifications.
| Package/Case | PLCC |
| Mount | Through Hole |
| Number of Contacts | 44 |
| Number of Positions | 44 |
| RoHS | Not Compliant |
Download the complete datasheet for Emulation BC4-44-PCC3-0000 to view detailed technical specifications.
This datasheet cannot be embedded due to technical restrictions.
