
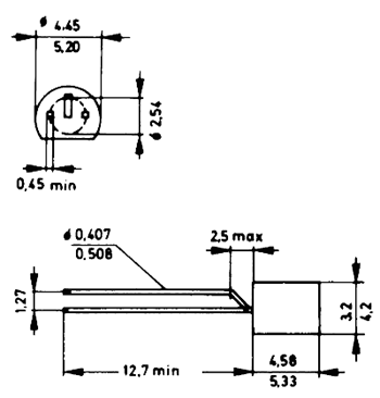
Micropower voltage reference diode, 2.5V fixed output, suitable for 0°C to 70°C operation. Features a 3-terminal TO-92 package for through-hole mounting, with a low cathode current of 20µA and a supply current of 30µA. Offers a maximum output current of 20mA and a tolerance of 3%. This lead-free, RoHS compliant component is designed for power management applications.
Texas Instruments LM385Z-2.5/NOPB technical specifications.
Download the complete datasheet for Texas Instruments LM385Z-2.5/NOPB to view detailed technical specifications.
This datasheet cannot be embedded due to technical restrictions.
