
Isolated DC-DC converter module, 1W, 2 outputs, 12V and -12V, with 40mA output current per channel. Features a 5V nominal input voltage range of 4.5V to 5.5V, 78% efficiency, and 1kV isolation. Housed in a SIP package with through-hole mounting, this hybrid power supply operates from -40°C to 85°C and meets UL94 V-0 flammability rating.
Traco Power TMA0512D technical specifications.
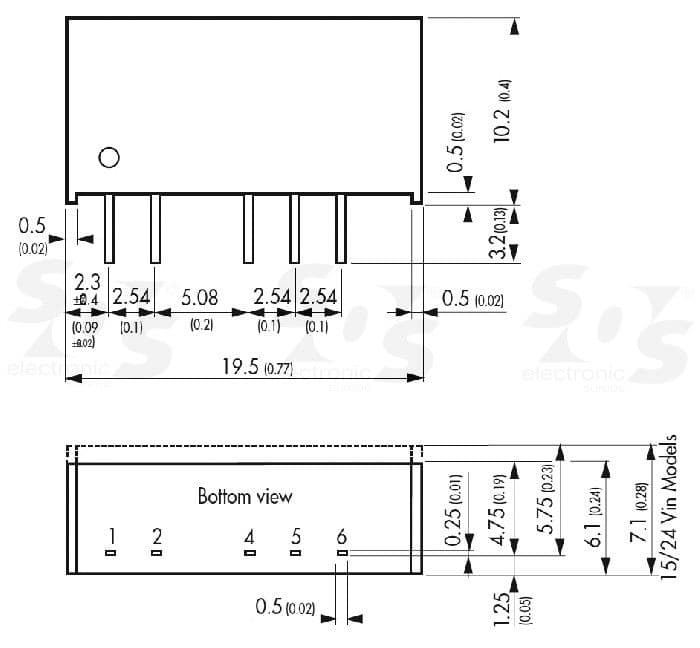
| Package/Case | SIP |
| Current - Output 1 | 40mA |
| Current - Output 2 | 40mA |
| Depth | 19.5mm |
| Efficiency | 78% |
| Flammability Rating | UL94 V-0 |
| Height | 10.2mm |
| Isolation | Isolated |
| Isolation Voltage | 1kV |
| Length | 19.5mm |
| Max Input Voltage (DC) | 5.5V |
| Min Input Voltage (DC) | 4.5V |
| Max Input Voltage | 5.5V |
| Min Input Voltage | 4.5V |
| Max Operating Temperature | 85°C |
| Min Operating Temperature | -40°C |
| Max Output Current | 40mA |
| Max Output Power | 1W |
| Mount | Through Hole |
| Nominal Input Voltage | 5V |
| Number of Outputs | 2 |
| Output Current | 40mA |
| Output Power | 1W |
| Output Voltage | 12V |
| Power | Yes |
| Radiation Hardening | No |
| Reach SVHC Compliant | No |
| RoHS Compliant | Yes |
| Series | TMA |
| Voltage | 5V |
| Voltage - Output 1 | 12V |
| Voltage - Output 2 | -12V |
| Weight | 2.6g |
| Width | 6.1mm |
| RoHS | Compliant |
Download the complete datasheet for Traco Power TMA0512D to view detailed technical specifications.
This datasheet cannot be embedded due to technical restrictions.
