
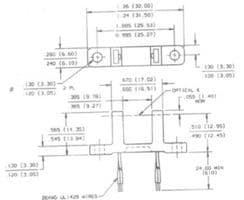
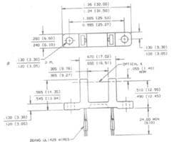
Transistor output slotted optical sensor featuring a 9.53mm slot width and 890nm infrared wavelength. This 1-channel photointerrupter offers a 30V collector-emitter breakdown voltage and a 50mA forward current. With a maximum output current of 16mA and 100mW power dissipation, it operates across a -40°C to 80°C temperature range. Designed for chassis mounting with lead wire termination, this RoHS compliant component is supplied in bulk packaging.
TT OPB815WZ technical specifications.
| Collector Emitter Breakdown Voltage | 30V |
| Collector Emitter Voltage (VCEO) | 30V |
| Collector-emitter Voltage-Max | 30V |
| Forward Current | 50mA |
| Input Current | 20mA |
| Lead Free | Lead Free |
| Max Collector Current | 16mA |
| Max Operating Temperature | 80°C |
| Min Operating Temperature | -40°C |
| Max Output Current | 16mA |
| Mount | Chassis Mount, Screw |
| Number of Elements | 1 |
| Output Configuration | Phototransistor |
| Package Quantity | 25 |
| Packaging | Bulk |
| Power Dissipation | 100mW |
| Radiation Hardening | No |
| Reach SVHC Compliant | No |
| Reverse Breakdown Voltage | 2V |
| Reverse Voltage (DC) | 2V |
| RoHS Compliant | Yes |
| Sensing Distance | 9.53mm |
| Termination | Lead Wire |
| Touchscreen | Infrared (IR) |
| Wavelength | 890nm |
| Width | 31.75mm |
| RoHS | Compliant |
Download the complete datasheet for TT OPB815WZ to view detailed technical specifications.
This datasheet cannot be embedded due to technical restrictions.
