
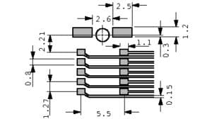
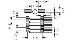
68-position, 2-row backplane connector with a 1.27mm pitch. Features top entry, straight orientation, and SMD termination for surface mounting. Constructed with a copper alloy contact material and a black SMC package. Operates within a temperature range of -55°C to +125°C and is RoHS compliant.
Erni 154720 technical specifications.
Download the complete datasheet for Erni 154720 to view detailed technical specifications.
No datasheet is available for this part.
