
The MJF127G is a PNP transistor with a collector-emitter breakdown voltage of 100V and a continuous collector current of 5A. It is packaged in a TO-220-3 package and is RoHS compliant. The transistor has a maximum operating temperature of 150°C and a minimum operating temperature of -65°C. It is suitable for use in a variety of applications, including power amplifiers and switching circuits.
Onsemi MJF127G technical specifications.
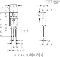
| Package/Case | TO-220-3 |
| Collector Base Voltage (VCBO) | 100V |
| Collector Emitter Breakdown Voltage | 100V |
| Collector Emitter Saturation Voltage | 2V |
| Collector Emitter Voltage (VCEO) | 100V |
| Collector-emitter Voltage-Max | 3.5V |
| Continuous Collector Current | 5A |
| Emitter Base Voltage (VEBO) | 5V |
| Lead Free | Lead Free |
| Max Collector Current | 10uA |
| Max Operating Temperature | 150°C |
| Min Operating Temperature | -65°C |
| Max Power Dissipation | 2W |
| Number of Elements | 1 |
| Package Quantity | 50 |
| Packaging | Rail/Tube |
| Polarity | PNP |
| Power Dissipation | 30W |
| Radiation Hardening | No |
| Reach SVHC Compliant | No |
| RoHS Compliant | Yes |
| DC Rated Voltage | -100V |
| RoHS | Compliant |
Download the complete datasheet for Onsemi MJF127G to view detailed technical specifications.
This datasheet cannot be embedded due to technical restrictions.
