LED GREEN 5/32 HOLE PANEL MOUNT
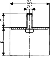
Screw Captive Knurled-HD Slot 23.42mm-LG 59in/64in-LG 0.922in-LG Steel Zinc Chromate
Screw Captive Wing-HD Slot 25mm-LG 63in/64in-LG 0.984in-LG Low Carbon Steel Zinc Chromate
Thick Film Resistors 1/16WATT 511OHMS
Res Wirewound 511 Ohm 5% 2W ±20ppm/°C Silicone AXL Bulk
Screw Captive Knurled-HD Slot 10-32-THD Steel Zinc Chromate
Res Wirewound 511 Ohm 1% 1.5W ±20ppm/°C Silicone AXL Bulk
Res Wirewound 511 Ohm 5% 6W ±20ppm/°C Silicone AXL T/R
Res Wirewound 511 Ohm 5% 2W ±20ppm/°C Silicone AXL T/R
Thick Film Resistors - SMD 511Kohms 1% Tol
Conn Board Stacker HDR 14 POS 2.54mm Solder ST Top Entry Thru-Hole Bulk
Conn Board Stacker HDR 16 POS 2.54mm Solder ST Thru-Hole
PAULSTRA 511525 MOUNT, RADIAFLEX, FLEXIBLE
Single Color LED, Yellow, Diffused, T-1 3/4, 5mm, ROHS COMPLIANT PACKAGE-2
Paulstra 511265 Stud Mount M8 80daN 2mm Male Only Natural Rubber
Headers & Wire Housings KK 156 PCB Assy Bott 11 Ckts Gold
Science kit fischertechnik ROBO TX Automation Robots 511933 10 years and over
Timer, Multifunction, Dial Set with Instantaneous Contacts
Motor; TEFC; 15 HP; 3-PH; 230/460 V
B933 5110-ARO YEL 3 GOTH QA 10-