
Positive fixed 12V linear voltage regulator with a 1.5A output current capability. Features a 2V dropout voltage and a maximum input voltage of 35V, operating within a 0°C to 125°C temperature range. This through-hole component is housed in a TO-220AB package and offers a 55dB power supply rejection ratio. RoHS compliant and lead-free.
Stmicroelectronics L7812CV technical specifications.
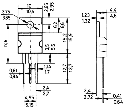
| Package/Case | TO |
| Dropout Voltage | 2V |
| Height | 9.15mm |
| Lead Free | Lead Free |
| Length | 10.4mm |
| Max Input Voltage | 35V |
| Min Input Voltage | 14V |
| Max Operating Temperature | 125°C |
| Min Operating Temperature | 0°C |
| Max Output Current | 1.5A |
| Min Output Voltage | 12V |
| Mount | Through Hole |
| Nominal Output Voltage | 12V |
| Number of Channels | 1 |
| Number of Outputs | 1 |
| Number of Regulators | 1 |
| Output Configuration | Positive |
| Output Current | 1.5A |
| Output Type | Fixed |
| Output Voltage | 12V |
| Packaging | Rail/Tube |
| Polarity | Positive |
| Power Supply Rejection Ratio (PSRR) | 55dB |
| Quiescent Current | 8mA |
| Radiation Hardening | No |
| Reach SVHC Compliant | No |
| RoHS Compliant | Yes |
| Tolerance | 5% |
| Weight | 0.08113oz |
| Width | 4.6mm |
| RoHS | ROHS3 Compliant |
| Svhc | No SVHC (25-Jun-2025) |
| ECCN | EAR99 |
Download the complete datasheet for Stmicroelectronics L7812CV to view detailed technical specifications.
This datasheet cannot be embedded due to technical restrictions.
