
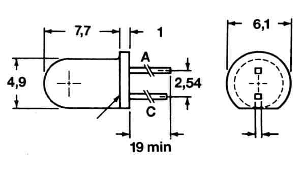
Infrared (IR) LED emitter featuring an 890nm wavelength and a 20° viewing angle. This through-hole mounted component offers a 1.5A forward current and a 5A peak pulse current. It has a 2.54mm lead pitch, 19.05mm lead length, and a 4.95mm head diameter. Operating within a -40°C to 100°C temperature range, this RoHS compliant device is packaged in bulk.
Sign in to ask questions about the TT OP295A datasheet using AI. Get instant answers about specifications, features, and technical details, ideal for finding information in larger documents.
Sign In to ChatWidest selection of semiconductors and electronic components in stock and ready to ship ™
TT OP295A technical specifications.
| Depth | 5.97mm |
| Forward Current | 1.5A |
| Head Diameter | 4.95mm |
| Lead Free | Lead Free |
| Lead Length | 19.05mm |
| Lead Pitch | 2.54mm |
| Length | 5.97mm |
| Lens Style | Round |
| Max Operating Temperature | 100°C |
| Min Operating Temperature | -40°C |
| Max Power Dissipation | 333mW |
| Max Reverse Leakage Current | 10uA |
| Mount | Through Hole |
| Number of Elements | 1 |
| Number of LEDs | 1 |
| Orientation | Top View |
| Packaging | Bulk |
| Peak Pulse Current | 5A |
| Power Dissipation | 1.11kW |
| Radiation Hardening | No |
| Reach SVHC Compliant | No |
| Reverse Voltage | 5V |
| RoHS Compliant | Yes |
| Touchscreen | Infrared (IR) |
| Viewing Angle | 20° |
| Wavelength | 890nm |
| RoHS | Compliant |
Download the complete datasheet for TT OP295A to view detailed technical specifications.
The embedded preview will load automatically when this section scrolls into view.
