
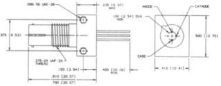
Infrared LED emitter with 850nm nominal wavelength, operating between 830nm and 870nm. Features a 10ns fall time and 100mA forward current, suitable for fiber sizes from 50/125 to 200/300 microns. Packaged in a TO-18 case with panel mount capability, this RoHS compliant component operates from -40°C to 85°C.
Sign in to ask questions about the TT OPF372A datasheet using AI. Get instant answers about specifications, features, and technical details, ideal for finding information in larger documents.
Sign In to ChatWidest selection of semiconductors and electronic components in stock and ready to ship ™
TT OPF372A technical specifications.
| Package/Case | TO-18 |
| Depth | 10.41mm |
| Fall Time | 10ns |
| Fiber Size | 50/125 to 200/300 microns |
| Forward Current | 100mA |
| Height | 20.32mm |
| Lead Free | Lead Free |
| Length | 12.7mm |
| Max Operating Temperature | 85°C |
| Min Operating Temperature | -40°C |
| Max Reverse Voltage (DC) | 1V |
| Mount | Panel, Screw |
| Number of Elements | 1 |
| Operating Supply Voltage | 2V |
| Operating Wavelength-Nom | 850nm |
| Package Quantity | 25 |
| Packaging | Tray |
| Radiation Hardening | No |
| Reach SVHC Compliant | No |
| Reverse Voltage | 1V |
| Reverse Voltage (DC) | 1V |
| RoHS Compliant | Yes |
| Spectral Bandwidth | 35nm |
| Supply Voltage-Nom | 1.8kV |
| Wavelength | 850nm |
| Width | 10.41mm |
| RoHS | Compliant |
Download the complete datasheet for TT OPF372A to view detailed technical specifications.
The embedded preview will load automatically when this section scrolls into view.
