Sign in to ask questions about the Vishay VS-FB180SA10P datasheet using AI. Get instant answers about specifications, features, and technical details, ideal for finding information in larger documents.
Sign In to ChatWidest selection of semiconductors and electronic components in stock and ready to ship ™
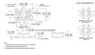
Vishay VS-FB180SA10P technical specifications.
| Package/Case | SOT-227-4 |
| Continuous Drain Current (ID) | 180A |
| Drain to Source Resistance | 6.5mR |
| Drain to Source Voltage (Vdss) | 100V |
| Drain-source On Resistance-Max | 6.5mR |
| Dual Supply Voltage | 100V |
| Fall Time | 335ns |
| Gate to Source Voltage (Vgs) | 20V |
| Height | 12.3mm |
| Input Capacitance | 10.7nF |
| Length | 38.3mm |
| Max Operating Temperature | 150°C |
| Min Operating Temperature | -55°C |
| Max Power Dissipation | 480W |
| Mount | Chassis Mount, Screw |
| Nominal Vgs | 4V |
| Number of Channels | 1 |
| Package Quantity | 180 |
| Packaging | Bulk |
| Polarity | N-CHANNEL |
| Radiation Hardening | No |
| Rds On Max | 6.5mR |
| Reach SVHC Compliant | No |
| Turn-Off Delay Time | 181ns |
| Turn-On Delay Time | 45ns |
| Weight | 1.058219oz |
| Width | 25.7mm |
| RoHS | Compliant |
Download the complete datasheet for Vishay VS-FB180SA10P to view detailed technical specifications.
The embedded preview will load automatically when this section scrolls into view.
