
Cermet trimmer potentiometer, 0.2W power rating, 100kΩ resistance with 25% tolerance. Features a linear taper, single turn adjustment, and through-hole PCB mounting. Operating temperature range of -25°C to 100°C, 100V AC voltage rating, and RoHS compliant. Encased in a blue, circular, 6mm open-frame package with 3 pins.
Checking distributor stock and pricing after the page loads.
Sign in to ask questions about the Bourns 3306P-1-104 datasheet using AI. Get instant answers about specifications, features, and technical details, ideal for finding information in larger documents.
Sign In to ChatWidest selection of semiconductors and electronic components in stock and ready to ship ™
Bourns 3306P-1-104 technical specifications.
| Color | Blue |
| Depth | 8.1mm |
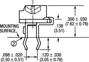
| Diameter | 6.81mm |
| Height | 7.62mm |
| Lead Free | Lead Free |
| Length | 6.81mm |
| Max Operating Temperature | 100°C |
| Max Power Dissipation | 200mW |
| Military Standard | Not |
| Min Operating Temperature | -25°C |
| Mount | Through Hole, PCB |
| Number of Turns | 1 |
| Package Quantity | 200 |
| Packaging | Bulk |
| Radiation Hardening | No |
| Reach SVHC Compliant | No |
| Resistance | 100kR |
| Resistance Tolerance | 25% |
| Resistor Type | Cermet |
| RoHS Compliant | Yes |
| Series | Trimpot® 3306 - Open Frame |
| Taper | Linear |
| Technology | CERMET |
| Termination | Pin |
| Tolerance | 25% |
| Voltage Rating (AC) | 100V |
| Weight | 360mg |
| Width | 6.81mm |
| RoHS | Compliant |
Download the complete datasheet for Bourns 3306P-1-104 to view detailed technical specifications.
The embedded preview will load automatically when this section scrolls into view.
