
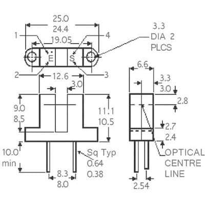
The H21A2 is a NPN open collector transistor with a collector emitter breakdown voltage of 30V and a maximum collector current of 50mA. It operates within a temperature range of -25°C to 85°C and is packaged in bulk. The transistor features a response time of 50us and is not RoHS compliant.
Sign in to ask questions about the Isocom H21A2 datasheet using AI. Get instant answers about specifications, features, and technical details, ideal for finding information in larger documents.
Sign In to ChatWidest selection of semiconductors and electronic components in stock and ready to ship ™
Isocom H21A2 technical specifications.
| Collector Emitter Breakdown Voltage | 30V |
| Max Collector Current | 50mA |
| Max Operating Temperature | 85°C |
| Min Operating Temperature | -25°C |
| Mount | Through Hole, Flanges |
| Output Configuration | NPN - Open Collector |
| Packaging | Bulk |
| Response Time | 50us |
| RoHS Compliant | No |
| RoHS | Not Compliant |
Download the complete datasheet for Isocom H21A2 to view detailed technical specifications.
The embedded preview will load automatically when this section scrolls into view.
