
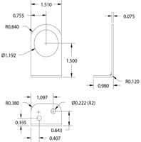
L Style Mounting Bracket, Aluminum 5052, 1.51in Product Width, 0.075in Body Thickness, 0.98in Product Length
Sign in to ask questions about the Mallory Sonalert ACC01 datasheet using AI. Get instant answers about specifications, features, and technical details, ideal for finding information in larger documents.
Sign In to ChatWidest selection of semiconductors and electronic components in stock and ready to ship ™
Mallory Sonalert ACC01 technical specifications.
| Package/Case | Metal |
| Material | Aluminium |
| Reach SVHC Compliant | Unknown |
| Size | 140mm |
| RoHS | Compliant |
Download the complete datasheet for Mallory Sonalert ACC01 to view detailed technical specifications.
The embedded preview will load automatically when this section scrolls into view.
