
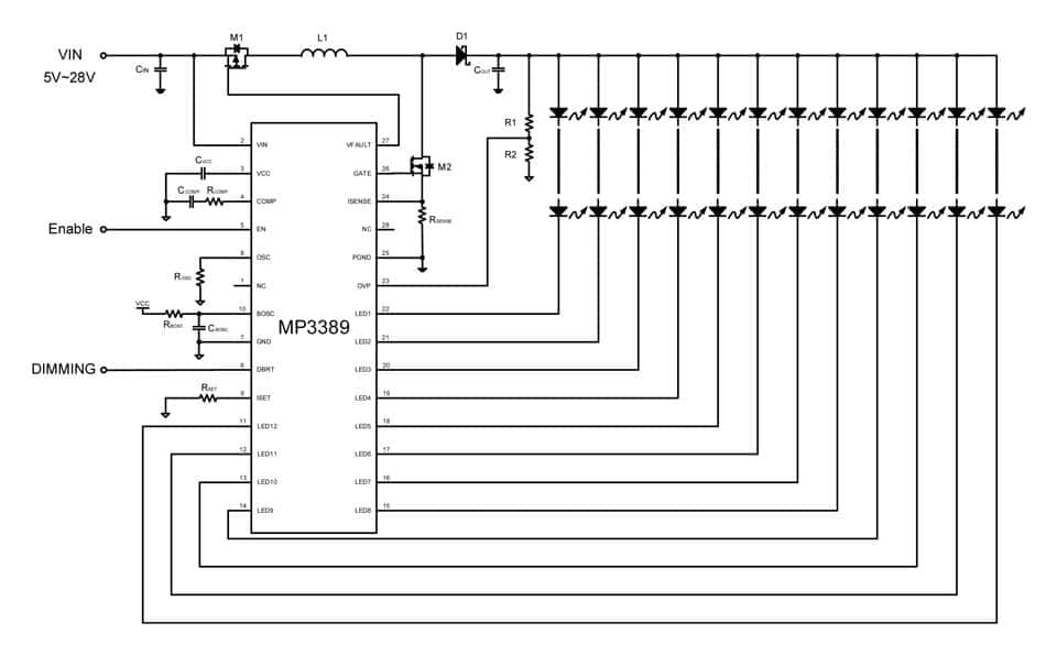
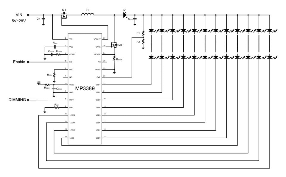
The MP3389EY-LF-Z is a 12-channel boost driver IC from Monolithic Power Systems. It operates over a temperature range of -40°C to 125°C and is packaged in a SOIC package. The device is lead free and RoHS compliant. It features a maximum supply voltage of 28V and an output current per channel of 60mA. The IC is suitable for use in applications that require PWM dimming.
Sign in to ask questions about the Monolithic Power Systems MP3389EY-LF-Z datasheet using AI. Get instant answers about specifications, features, and technical details, ideal for finding information in larger documents.
Sign In to ChatWidest selection of semiconductors and electronic components in stock and ready to ship ™
Monolithic Power Systems MP3389EY-LF-Z technical specifications.
| Package/Case | SOIC |
| Dimming | PWM |
| Lead Free | Lead Free |
| Max Operating Temperature | 125°C |
| Min Operating Temperature | -40°C |
| Max Supply Voltage | 28V |
| Mount | Surface Mount |
| Number of Outputs | 12 |
| Output Current per Channel | 60mA |
| Package Quantity | 1000 |
| Packaging | Tape and Reel |
| RoHS Compliant | Yes |
| Topology | Boost |
| RoHS | Compliant |
Download the complete datasheet for Monolithic Power Systems MP3389EY-LF-Z to view detailed technical specifications.
The embedded preview will load automatically when this section scrolls into view.
