
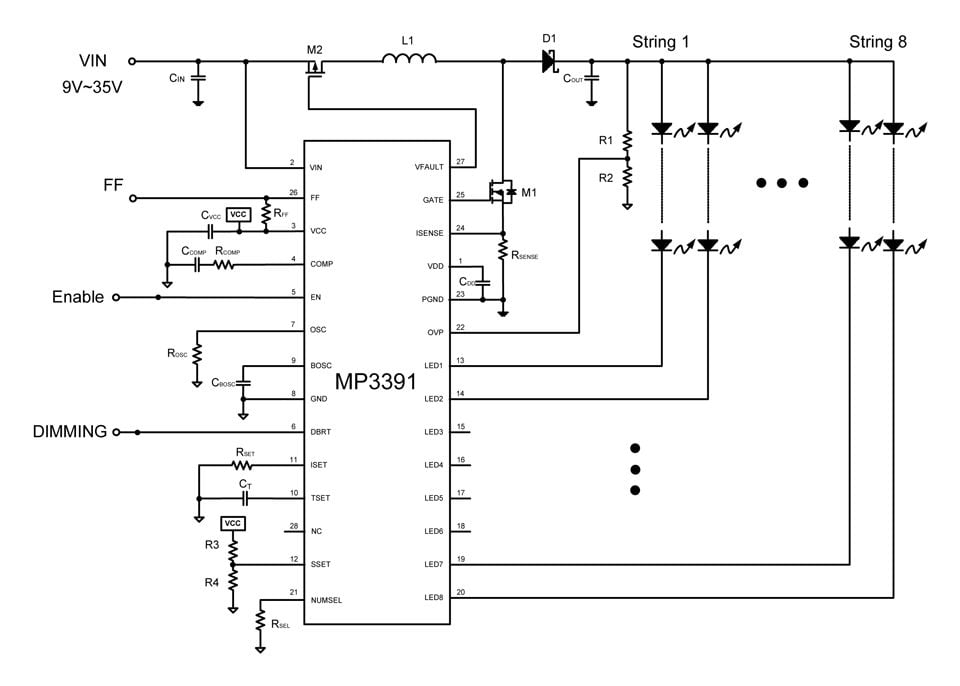
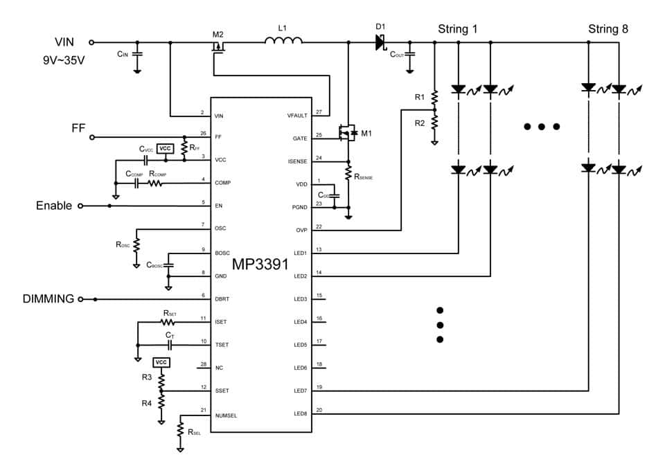
LED Driver
Sign in to ask questions about the Monolithic Power Systems MP3391EF-LF-Z datasheet using AI. Get instant answers about specifications, features, and technical details, ideal for finding information in larger documents.
Sign In to ChatWidest selection of semiconductors and electronic components in stock and ready to ship ™
Monolithic Power Systems MP3391EF-LF-Z technical specifications.
| Package/Case | TSSOP |
| Dimming | PWM |
| Frequency | 280kHz |
| Lead Free | Lead Free |
| Max Operating Temperature | 85°C |
| Min Operating Temperature | -20°C |
| Max Power Dissipation | 3.9W |
| Max Supply Voltage | 35V |
| Mount | Surface Mount |
| Number of Outputs | 8 |
| Output Current per Channel | 120mA |
| Package Quantity | 2500 |
| Packaging | Tape and Reel |
| Radiation Hardening | No |
| RoHS Compliant | Yes |
| Topology | Boost |
| RoHS | Compliant |
Download the complete datasheet for Monolithic Power Systems MP3391EF-LF-Z to view detailed technical specifications.
The embedded preview will load automatically when this section scrolls into view.
