
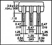
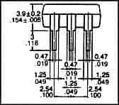
AC & DC Output Solid State Relay (SSR) with SPST-NO configuration. Features a 60V maximum output voltage and 400mA maximum output current. Offers 1.4 ohm maximum on-state resistance and requires 900µA forward current. DIP package with through-hole mounting and PC pin termination. 1.5kV isolation voltage and RoHS compliant.
Panasonic AQV252 technical specifications.
| Package/Case | DIP |
| Forward Current | 900uA |
| Height | 3.9mm |
| Input Current | 50mA |
| Input Type | DC |
| Isolation Voltage | 1.5kV |
| Isolation Voltage-Max | 1.5kV |
| Lead Free | Lead Free |
| Length | 8.8mm |
| Load Current | 400mA |
| Max Input Current | 50mA |
| Max Input Voltage | 1.5V |
| Max Operating Temperature | 85°C |
| Min Operating Temperature | -40°C |
| Max Output Current | 400mA |
| Max Output Voltage | 60V |
| Mount | Through Hole |
| On-state Resistance-Max | 1.4R |
| Output Current | 400mA |
| Output Voltage | 60V |
| Package Quantity | 50 |
| Packaging | Rail/Tube |
| Radiation Hardening | No |
| Reach SVHC Compliant | No |
| RoHS Compliant | Yes |
| Series | PhotoMOS™ AQV |
| Termination | PC Pin |
| Test Voltage | 1.5kV |
| Throw Configuration | SPST |
| Width | 6.4mm |
| RoHS | Compliant |
Download the complete datasheet for Panasonic AQV252 to view detailed technical specifications.
This datasheet cannot be embedded due to technical restrictions.
