
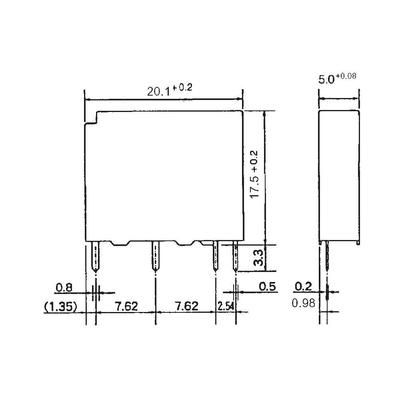
The Takamisawa NY-05W-K-IE is a 1 maker contact with a response time of 10ms and fall time of 5ms. It has a height of 17.5mm, length of 20.1mm, and width of 5mm, with a weight of 3.5g. The contact is rated for operation in temperatures ranging from -40°C to 90°C and meets the IP67 rating for environmental sealing. It is designed for PCB mount applications.
Sign in to ask questions about the Takamisawa NY-05W-K-IE datasheet using AI. Get instant answers about specifications, features, and technical details, ideal for finding information in larger documents.
Sign In to ChatWidest selection of semiconductors and electronic components in stock and ready to ship ™
Takamisawa NY-05W-K-IE technical specifications.
| Contact Type | 1 maker |
| Fall Time | 5ms |
| Height | 17.5mm |
| Length | 20.1mm |
| Max Operating Temperature | 90°C |
| Min Operating Temperature | -40°C |
| Mount | PCB |
| Ratings | IP67 |
| Response Time | 10ms |
| Weight | 3.5g |
| Width | 5mm |
| RoHS | Not Compliant |
Download the complete datasheet for Takamisawa NY-05W-K-IE to view detailed technical specifications.
The embedded preview will load automatically when this section scrolls into view.
