
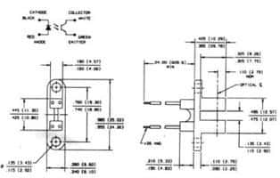
Transmissive photointerrupter featuring a phototransistor output, designed for 3.18mm sensing distance. This component operates with a maximum collector-emitter voltage of 30V and a forward current of 50mA, with a maximum collector current of 30mA. It offers a wide operating temperature range from -40°C to 80°C and is RoHS compliant. Mounting is facilitated via chassis mount with screw attachment.
TT OPB829AZ technical specifications.
| Collector Emitter Breakdown Voltage | 30V |
| Collector Emitter Voltage (VCEO) | 30V |
| Collector-emitter Voltage-Max | 30V |
| Forward Current | 50mA |
| Input Current | 20mA |
| Lead Free | Lead Free |
| Max Breakdown Voltage | 30V |
| Max Collector Current | 30mA |
| Max Operating Temperature | 80°C |
| Min Operating Temperature | -40°C |
| Mount | Chassis Mount, Screw |
| Number of Elements | 1 |
| Output Configuration | Phototransistor |
| Package Quantity | 25 |
| Packaging | Bulk |
| Power Dissipation | 100mW |
| Radiation Hardening | No |
| Reach SVHC Compliant | No |
| Reverse Breakdown Voltage | 2V |
| Reverse Voltage (DC) | 2V |
| RoHS Compliant | Yes |
| Sensing Distance | 0.125inch |
| Touchscreen | Infrared (IR) |
| DC Rated Voltage | 30V |
| Wavelength | 890nm |
| RoHS | Compliant |
Download the complete datasheet for TT OPB829AZ to view detailed technical specifications.
This datasheet cannot be embedded due to technical restrictions.
