
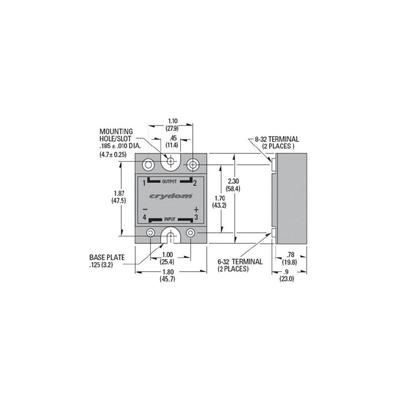
The HD48125 is a solid state relay with a control voltage of 32V and a maximum operating temperature of 80°C. It has a maximum output current of 125A and a maximum output voltage of 530V. The relay is designed for panel mount applications and has a width of 45.7mm and a length of 58.4mm. It is RoHS compliant and has a maximum surge current of 1.75kA.
Sign in to ask questions about the Crydom HD48125 datasheet using AI. Get instant answers about specifications, features, and technical details, ideal for finding information in larger documents.
Sign In to ChatWidest selection of semiconductors and electronic components in stock and ready to ship ™
Crydom HD48125 technical specifications.
| Control Voltage | 32V |
| Depth | 58.4mm |
| Height | 23mm |
| Input Type | DC |
| Isolation Voltage-Max | 4kV |
| Lead Free | Lead Free |
| Length | 58.4mm |
| Load Current | 125A |
| Max Operating Temperature | 80°C |
| Min Operating Temperature | -40°C |
| Max Output Current | 125A |
| Max Output Voltage | 530V |
| Max Surge Current | 1.75kA |
| Mount | Panel, Screw |
| Output Voltage | 530V |
| Reach SVHC Compliant | No |
| RoHS Compliant | Yes |
| Throw Configuration | SPST |
| Width | 45.7mm |
| RoHS | Compliant |
Download the complete datasheet for Crydom HD48125 to view detailed technical specifications.
The embedded preview will load automatically when this section scrolls into view.
