Sign in to ask questions about the Grayhill 25BP22-B-2-16F datasheet using AI. Get instant answers about specifications, features, and technical details, ideal for finding information in larger documents.
Sign In to ChatWidest selection of semiconductors and electronic components in stock and ready to ship ™
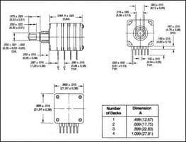
Grayhill 25BP22-B-2-16F technical specifications.
| Built in Switch | No |
| Detent | No |
| Encoder Type | Mechanical |
| Max Operating Temperature | 85°C |
| Min Operating Temperature | -65°C |
| Mount | Through Hole, PCB |
| Orientation | Right Angle |
| Output Type | Binary |
| Package Quantity | 1 |
| RoHS Compliant | Yes |
| Series | 25 |
| Termination | PC Pin |
| RoHS | Compliant |
Download the complete datasheet for Grayhill 25BP22-B-2-16F to view detailed technical specifications.
The embedded preview will load automatically when this section scrolls into view.
