
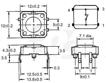
SPST tactile switch with PC pin termination, featuring a non-illuminated, blue, round, flat actuator. This through-hole mount component offers a 50mA current rating at 24VDC, with a 1.27N operating force and 0.3mm travel. It boasts a 3 million cycle electrical and mechanical life, constructed with gold and silver contact materials. Operating temperature range is -25°C to 70°C, with RoHS compliance.
Sign in to ask questions about the Omron B3F-4000 datasheet using AI. Get instant answers about specifications, features, and technical details, ideal for finding information in larger documents.
Sign In to ChatWidest selection of semiconductors and electronic components in stock and ready to ship ™
Omron B3F-4000 technical specifications.
| Actuator Color | Blue |
| Actuator Length | 0.8mm |
| Actuator Type | Standard |
| Contact Current Rating | 50mA |
| Contact Material | Gold, Silver |
| Contact Plating | Silver, Gold |
| Contact Type | 1 maker |
| Current Rating | 50mA |
| Depth | 12mm |
| Electrical Life | 3000000Cycles |
| Height | 4.3mm |
| Illumination Type | Non-Illuminated, Illuminated |
| Lead Free | Lead Free |
| Length | 12mm |
| Max Current Rating | 50mA |
| Max Operating Temperature | 70°C |
| Min Operating Temperature | -25°C |
| Max Voltage Rating (DC) | 24V |
| Mechanical Life | 3000000Cycles |
| Mount | Through Hole, PCB |
| Number of Poles | 1 |
| Number of Positions | 2 |
| Operating Force | 1.27N |
| Orientation | Straight |
| Package Quantity | 100 |
| Packaging | Bulk |
| Reach SVHC Compliant | Unknown |
| RoHS Compliant | Yes |
| Series | B3F |
| Switch Function | Off-Mom |
| Switch Travel | 0.3mm |
| Termination | PC Pins |
| Throw Configuration | SPST |
| DC Rated Voltage | 24V |
| Weight | 0.85g |
| Width | 12mm |
| RoHS | Compliant |
Download the complete datasheet for Omron B3F-4000 to view detailed technical specifications.
The embedded preview will load automatically when this section scrolls into view.
