
NPN bipolar power transistor in a TO-204-3 package, designed for high-power applications. Features a maximum collector current of 20A and a collector-emitter voltage of 90V. Offers a maximum power dissipation of 140W and a maximum operating temperature of 200°C. This RoHS compliant component is supplied in a tray of 100 units.
Onsemi 2N5038G technical specifications.
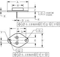
| Package/Case | TO-204-3 |
| Collector Base Voltage (VCBO) | 150V |
| Collector Emitter Breakdown Voltage | 90V |
| Collector Emitter Saturation Voltage | 2.5V |
| Collector Emitter Voltage (VCEO) | 90V |
| Collector-emitter Voltage-Max | 2.5V |
| Current Rating | 20A |
| Emitter Base Voltage (VEBO) | 7V |
| Height | 8.51mm |
| hFE Min | 20 |
| Lead Free | Lead Free |
| Length | 39.37mm |
| Max Collector Current | 20A |
| Max Frequency | 5MHz |
| Max Operating Temperature | 200°C |
| Min Operating Temperature | -65°C |
| Max Power Dissipation | 140W |
| Number of Elements | 1 |
| Package Quantity | 100 |
| Packaging | Tray |
| Polarity | NPN |
| Power Dissipation | 140W |
| Radiation Hardening | No |
| Reach SVHC Compliant | No |
| RoHS Compliant | Yes |
| DC Rated Voltage | 90V |
| Width | 26.67mm |
| RoHS | Compliant |
Download the complete datasheet for Onsemi 2N5038G to view detailed technical specifications.
No datasheet is available for this part.
