
Single-pole, single-throw (SPST) transistor output solid-state relay (SSR) featuring optical isolation. This DIP-packaged device offers a 400V maximum output voltage and 150mA maximum output current, with a 1500V isolation voltage. It requires a 50mA DC input current and operates within a -40°C to 85°C temperature range. The through-hole mounted component has a maximum on-state resistance of 16 Ohms and is RoHS compliant.
Sign in to ask questions about the Panasonic AQV254 datasheet using AI. Get instant answers about specifications, features, and technical details, ideal for finding information in larger documents.
Sign In to ChatWidest selection of semiconductors and electronic components in stock and ready to ship ™
Panasonic AQV254 technical specifications.
| Package/Case | DIP |
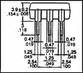
| Height | 3.9mm |
| Input Current | 50mA |
| Input Type | DC |
| Isolation Voltage | 1.5kV |
| Isolation Voltage-Max | 1.5kV |
| Lead Free | Lead Free |
| Length | 8.8mm |
| Load Current | 150mA |
| Max Input Current | 50mA |
| Max Operating Temperature | 85°C |
| Min Operating Temperature | -40°C |
| Max Output Current | 150mA |
| Max Output Voltage | 400V |
| Mount | Through Hole |
| On-state Resistance-Max | 16R |
| Output Current | 150mA |
| Output Voltage | 400V |
| Package Quantity | 50 |
| Packaging | Rail/Tube |
| Radiation Hardening | No |
| RoHS Compliant | Yes |
| Series | PhotoMOS™ AQV |
| Termination | PC Pin |
| Test Voltage | 2.5kV |
| Throw Configuration | SPST |
| Width | 6.4mm |
| RoHS | Compliant |
Download the complete datasheet for Panasonic AQV254 to view detailed technical specifications.
The embedded preview will load automatically when this section scrolls into view.
