
Surface mount, single-pole, single-throw (SPST) solid-state relay featuring transistor output and 1.5kV isolation. Delivers 150mA load current at up to 400V output voltage with a 16 Ohm on-state resistance. Operates with 50mA DC input current and offers a 2ms turn-on delay. DIP-6 package with gull wing termination, suitable for PCB mounting. RoHS compliant and lead-free, with cULus approvals.
Sign in to ask questions about the Panasonic AQV254A datasheet using AI. Get instant answers about specifications, features, and technical details, ideal for finding information in larger documents.
Sign In to ChatWidest selection of semiconductors and electronic components in stock and ready to ship ™
Panasonic AQV254A technical specifications.
| Approvals | cULus |
| Package/Case | SMD/SMT |
| Current Rating | 150mA |
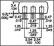
| Depth | 6.4mm |
| Height | 3.6mm |
| Input Current | 50mA |
| Input Type | DC |
| Isolation Voltage | 1.5kV |
| Isolation Voltage-Max | 1.5kV |
| Lead Free | Lead Free |
| Length | 8.8mm |
| Load Current | 150mA |
| Max Input Current | 50mA |
| Max Operating Temperature | 85°C |
| Min Operating Temperature | -40°C |
| Max Output Current | 150mA |
| Max Output Voltage | 400V |
| Mount | Surface Mount, PCB |
| On-State Resistance | 16R |
| On-state Resistance-Max | 16R |
| Output Current | 150mA |
| Output Voltage | 400V |
| Package Quantity | 50 |
| Packaging | Rail/Tube |
| Radiation Hardening | No |
| Relay Type | Relay |
| RoHS Compliant | Yes |
| Series | PhotoMOS™ AQV |
| Termination | Gull Wing |
| Test Voltage | 1.5kV |
| Throw Configuration | SPST |
| Turn-On Delay Time | 2ms |
| Voltage Rating | 400V |
| Width | 6.4mm |
| RoHS | Compliant |
Download the complete datasheet for Panasonic AQV254A to view detailed technical specifications.
The embedded preview will load automatically when this section scrolls into view.
