
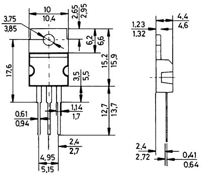
NPN Bipolar Junction Transistor (BJT) for power applications, featuring a 100V collector-emitter breakdown voltage and a 15A continuous collector current rating. This through-hole component, housed in a TO-220-3 package, offers a maximum power dissipation of 90W and a transition frequency of 3MHz. It operates within a temperature range of -65°C to 150°C and is RoHS compliant.
Stmicroelectronics BD911 technical specifications.
Download the complete datasheet for Stmicroelectronics BD911 to view detailed technical specifications.
This datasheet cannot be embedded due to technical restrictions.
