
Positive fixed 24V voltage regulator, offering a 2A maximum output current. Features a 2.5V dropout voltage and a maximum input voltage of 40V. Operates within a temperature range of 0°C to 150°C. Packaged in a TO case for through-hole mounting. RoHS compliant with a 5% output voltage tolerance.
Sign in to ask questions about the Stmicroelectronics L78S24CV datasheet using AI. Get instant answers about specifications, features, and technical details, ideal for finding information in larger documents.
Sign In to ChatWidest selection of semiconductors and electronic components in stock and ready to ship ™
Stmicroelectronics L78S24CV technical specifications.
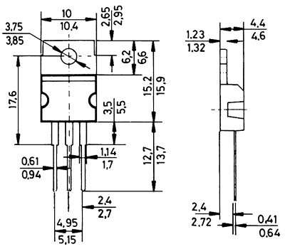
| Package/Case | TO |
| Dropout Voltage | 2.5V |
| Height | 15.75mm |
| Lead Free | Lead Free |
| Length | 10.4mm |
| Max Input Voltage | 40V |
| Min Input Voltage | 27V |
| Max Operating Temperature | 150°C |
| Min Operating Temperature | 0°C |
| Max Output Current | 2A |
| Min Output Voltage | 24V |
| Mount | Through Hole |
| Nominal Output Voltage | 24V |
| Number of Channels | 1 |
| Number of Outputs | 1 |
| Number of Regulators | 1 |
| Output Current | 2A |
| Output Type | Fixed |
| Output Voltage | 24V |
| Package Quantity | 50 |
| Packaging | Rail/Tube |
| Polarity | Positive |
| Power Supply Rejection Ratio (PSRR) | 48dB |
| Quiescent Current | 8mA |
| Radiation Hardening | No |
| Reach SVHC Compliant | No |
| RoHS Compliant | Yes |
| Tolerance | 5% |
| Width | 4.6mm |
| RoHS | Compliant |
Download the complete datasheet for Stmicroelectronics L78S24CV to view detailed technical specifications.
The embedded preview will load automatically when this section scrolls into view.
