
Quad JFET-input operational amplifier featuring a 3MHz bandwidth and 13V/µs slew rate. This surface-mount IC offers low input bias current of 200pA and a typical input offset voltage of 3mV. Designed for dual supply operation from 3V to 18V, it provides 40mA output current per channel. The component boasts a 70dB common mode rejection ratio and operates within a 0°C to 70°C temperature range.
Sign in to ask questions about the Stmicroelectronics TL074CD datasheet using AI. Get instant answers about specifications, features, and technical details, ideal for finding information in larger documents.
Sign In to ChatWidest selection of semiconductors and electronic components in stock and ready to ship ™
Stmicroelectronics TL074CD technical specifications.
| Bandwidth | 3MHz |
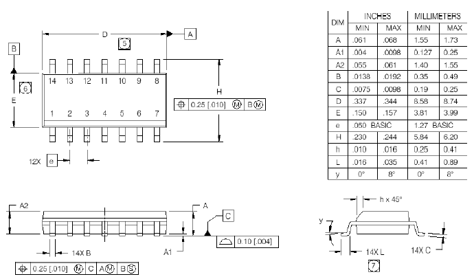
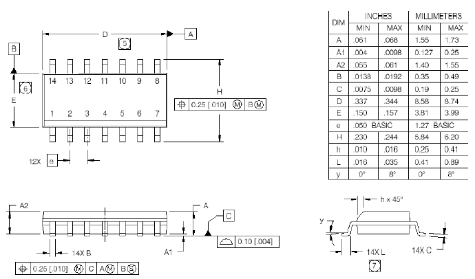
| Package/Case | SO |
| Common Mode Rejection Ratio | 70dB |
| Dual Supply Voltage | 9V |
| Gain Bandwidth Product | 3MHz |
| Height | 1.65mm |
| Input Bias Current | 200pA |
| Input Offset Voltage (Vos) | 10mV |
| Input Offset Voltage-Max | 3mV |
| Lead Free | Lead Free |
| Length | 8.75mm |
| Max Dual Supply Voltage | 18V |
| Min Dual Supply Voltage | 3V |
| Max Operating Temperature | 70°C |
| Min Operating Temperature | 0°C |
| Max Supply Voltage | 18V |
| Mount | Surface Mount |
| Number of Amplifiers | 4 |
| Number of Channels | 4 |
| Number of Circuits | 4 |
| Number of Elements | 4 |
| Operating Supply Current | 1.4mA |
| Output Current | 40mA |
| Output Current per Channel | 40mA |
| Package Quantity | 50 |
| Packaging | Rail/Tube |
| Power Dissipation | 680mW |
| Reach SVHC Compliant | No |
| RoHS Compliant | Yes |
| Slew Rate | 13V/µs |
| Slew Rate-Nom | 16V/µs |
| Supply Current | 2.5mA |
| Technology | BIFET |
| Unity Gain Bandwidth Product | 3MHz |
| Voltage Gain | 106.02dB |
| Width | 4mm |
| RoHS | Compliant |
Download the complete datasheet for Stmicroelectronics TL074CD to view detailed technical specifications.
The embedded preview will load automatically when this section scrolls into view.
