
Switching Regulator, Current-mode, 2A, 550kHz Switching Freq-Max, PDSO8, ROHS COMPLIANT, SOIC-8
Switching Regulator, Current-mode, 3.2A, 900kHz Switching Freq-Max, PDSO10, MSOP-10
Switching Regulator, Current-mode, 6.3A, 400kHz Switching Freq-Max, PDSO8, ROHS COMPLIANT, SOIC-8

LED Driver, 30-Segment, PDSO8, 2 X 3 MM, ROHS COMPLIANT, MO-229VCED-2, QFN-8
Switching Regulator, Current-mode, 6.5A, 1800kHz Switching Freq-Max, PDSO10, 3 X 3 MM, ROHS COMPLIANT, MO-229VEED-5, QFN-10

LED Driver, 27-Segment, PDSO8, 2 X 3 MM, ROHS COMPLIANT, MO-229VCED-2, QFN-8

Power Supply Support Circuit, Adjustable, 1 Channel, PDSO10, 3 X 3 MM, ROHS COMPLIANT, MO-229VEED-5, QFN-10

LED Driver, 39-Segment, 2 X 2 MM, ROHS COMPLIANT, MO-229VCCD-3, QFN-8

Audio Amplifier, 20W, 2 Channel(s), 1 Func, PDSO20, LEAD FREE, TSSOP-20
Adjustable Positive LDO Regulator, 0.5V Min, 5V Max, BIPolar, PDSO8, 2 X 3 MM, ROHS COMPLIANT, MO-229VCED-2, QFN-8

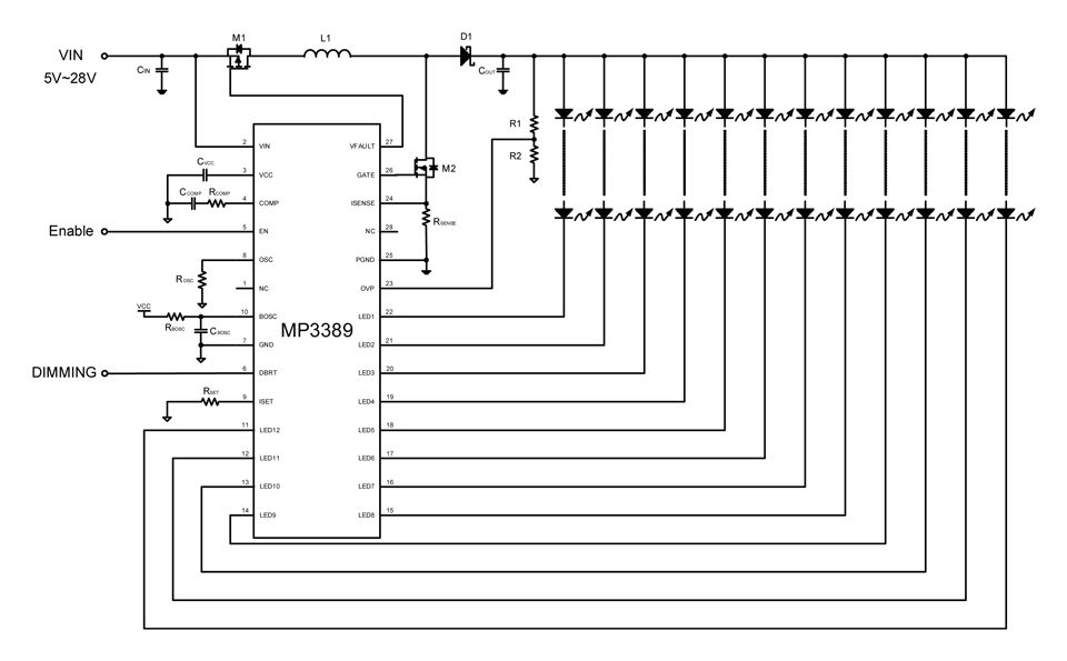
LED Driver, 12-Segment, PDSO28, ROHS COMPLIANT, MO-153AET, TSSOP-28
Fixed Positive LDO Regulator, 2.5V, PMOS, PDSO5, ROHS COMPLIANT, MO-193, TSOT23-5